audience

 

 

 

 

 

 

 

 

 

 

 

 

 

 

MARSHALL NACK'S SYSTEM

LOUDSPEAKERS
YG Acoustics Anat Studio III.

ELECTRONICS
mbl 6010D preamplifier, mbl 9008A monoblocks and Soulution 710 stereo amp. ASR Basis Exclusive phono preamp.

SOURCES
Dr. Feickert Blackbird turntable, Shelter Harmony cartridge, ModWright SONY SCD-XA5400ES SACD player

CABLES
Interconnects are Kubala-Sosna Elation! and Kharma Enigma. Digital cables are Kubala-Sosna Elation! and Kharma Enigma. Speaker wires are Kubala-Sosna Elation! and Kharma Enigma. AC power cords are Kubala-Sosna Elation! and Tara Labs Gold.

ACCESSORIES
TAOC Rack and TITE-35S component footers, edenSound TerraStone footers, CORE Designs amp stands, Vibraplane ELpF Isolation Platforms, Acoustic System Resonators and Sugar Cubes, Argent Room Lenses, Echo Buster & Sonex acoustic panels, TARA Labs PM/2 and IDAT power conditioners.

 

You are reading the older HTML site

Positive Feedback ISSUE 62
july/august 2012

 

accuphase

DP-600 SACD Player

as reviewed by Marshall Nack

 

accupahse dp 600

"You know, I have always found Frederick Delius a lightweight composer," I reminded Lynn. "This CD does nothing to change my opinion, but I have to admit it sounds terrific." We were listening to the freebie packaged with the June 2012 issue of BBC Music Magazine. (I find the magazine helpful to keep me informed of the classical music scene, but these CDs never have staying power, as far as my collection goes.) It was also my first tasting of the newly arrived Accuphase DP-600 SACD Player.

modwright sony

This is getting embarrassing. In the last year, I extolled the ModWright SONY SCD-XA-5400ES, calling it a giant killer. In short order, the EAR Acute III bested it.

ear acute cd player

And now comes the Accuphase, which summarily sidelined the E.A.R., and is without a doubt the finest player to cross my portal. I'm getting to be like all those other reviewers with their litany of "The Best I've Ever Heard" every month.

accupahse dp 600

With the DP-600 in line feeding the mbl 6010D preamp, the mbl 9008A monoblocks, and finally the YG Anat Studio Signatures, all wired up with K-S Elation!, there's no weak link in the chain, nothing is holding back and we're in orbit. This confirmed my suspicion that my source components needed a nudge, upgrade-wise. To give you an idea of how good this digital is, I'll make a confession: I prefer it to analog. So, there! Shall I turn in my club card?

I'll have to come up with a new category in my ranking system. So far I have Low, Mid and High, with the High slot claimed by the SONY and the E.A.R.. It's true the SONY has a remarkable truth quotient and very high data density, while the E.A.R. has enviable analog virtues. But the DP-600 sounds nothing like either of them and I can say with assurity it transcends both. How about Ultra High End?

The Accuphase Lineage

My prior acquaintance with the brand dates from about a decade ago, when I owned the PS-500 power conditioner. The Accuphase house sound at that time was known to be as pure and refined as you were likely to find; so divinely refined that sometimes it could tip over into effete.

Well, something happened at Design Central. When I moved out the E.A.R. Acute to make way for the DP-600, I didn't have to re-balance the system. That is amazing, 'cause I know the Acute to be attractively fulsome and powerfully dynamic. The DP-600 proved just as weighty with nearly equal body, while it bettered the E.A.R.'s dynamics. (I'm speaking on a macro level here. On the finer points, like I said, the DP-600 is in another class.)

In discussion with the importer, I found out Accuphase has been making changes over the last five or so years, shooting to incorporate more weight and punch. Furthermore, the new voicing is reflected up and down their product line. Judging by the DP-600, they've done an admirable job.

Finesse

That first peek at the Frederick Delius CD brought back memories of the brand's über refinement. Next I put on a recently acquired reference-quality SACD, Gene Bertoncini's solo acoustic guitar outing on Body and Soul (Ambient Records cd-001. FYI, Ambient Records is a boutique record label with an emphasis on state-of-the-art technology. The owner is an audiophile.)

bertoncini

Amazement unfolded with the very first pizzicato notes. The microtonal shadings of timbre, dynamics and tone color—indeed, the entire guitar "sound picture" of the instrument projected into the room—was eerily convincing. This "picture" of a master at work on his instrument revealed Bertoncini's virtuosity in all its splendor, rendering me immobile in the sweet spot, compelled to play the entire disc a second time through.

Transformers and Musical Weight

I've noted many times how components with transformers have superior timbre and correct dynamic relationships (the quality of musical flow). After listening to standard CD players, it's refreshing to hear a transformer-based design. That's how I felt when I installed the EAR. I never understood why transformers remain an unpopular design choice.

The DP-600 doesn't have one, yet it has these qualities. But it ain't the same as you get with transformers in line—it's better. With the DP-600 in—and the transformer out—you notice what else the transformer is doing. Now the transformer-coupled component, which seemed so great before, sounds pumped up and a bit fake, with lingering decays and a sluggish pace.

Put the DP-600 in line and the action speeds up. The signal jumps about without getting bogged down in note trails. In comparison, the transformer-based EAR sounds soft, airy, overly full and bloomy, warm and not as pure.

Soundstage

This speediness is accomplished without the slightest degree of aggression. Nothing on the DP-600 stage evidences aggressiveness. All of the sound is behind the plane of the speakers and this convincingly recreates the perspective of a large performing hall, placing you in a mid orchestra seating. This kind of recessive stage is great for classical music, but may be too polite for some listeners. Alongside that perspective, the DP-600's ultra-high resolution yields up close-miking details. The result is an intriguing blend of close up and far away—somehow, it works.

The DP-600's non-invasive soundstage is perfectly aligned with its handling of frequency response, which is both completely linear and a model of integration. Everything is interwoven into a closely-knit fabric. The lowest bass notes shoot tendrils into the midband and the highest treble notes do the same downward. The DP-600's wide bandwidth does not isolate individual frequencies and nothing calls attention to itself.

The low end is surprisingly extended and full. However, more than likely you will feel the lowest notes, rather than perceive them with your ears.

Another thing worth mentioning: many front-end components compromise quality when reproducing low-level material. At some point, as the signal level decreases, response characteristics change and start to close in. The DP-600 again distinguishes itself as the quality of its quiet passages matches it's handling of macro peaks.

Comparisons

On an absolute scale the DP-600 veers slightly to the warm, musical and (believe it or not) full side. It is a bit forgiving and tends to make everything sound good. For those looking for a flaw or coloration, here it is. But what a pleasant one! (I bet the DSP chip in the circuit has something to do with this.)

Cosmetics

The DP-600 continues the elegant styling Accuphase is known for. Everything about it is high-class, from the trademark satin gold faceplate to the reddish persimmon wood side panels to the front panel display—a Calvin Klein discreet kind of lux.

It has a set of interesting looking insulator feet made from high-carbon with cast iron content. I situated the DP-600 on my Vibraplane ELpF and surrounded it with K-S Elation! wiring.

Power Conditioning

At first the DP-600 was plugged into a passive power strip. I preferred this to using my TARA Labs IDAT active conditioner.

accupahse dp 600

However, it's another thing altogether when the DP-600 is connected to the new Accuphase PS-520 Clean Power Supply conditioner (which came in midway into this review). More amazement awaits—the DP-600 performance actually ascends another half a grade. Let's just say, it became clear that Gene Bertoncini had nylon strings on his acoustic guitar. All is revealed. Like the DP-600, the PS-520 shares the new voicing. Stay tuned for the full report.

Digital Inputs

The DP-600 has completely separate configuration of the transport and processor sections. Each section has their own set of connectors supporting 75-ohm coaxial, optical fiber and HS-Link. (HS-Link is Accuphase's proprietary digital audio interface and carries both SACD and CD signal.) You can stream digital input from any of these sources via the Input Selector button and use the DP-600 as a processor only.

Digital Outputs

The DP-600's digital outputs can also be tapped for use as a transport only.

accupahse dp 600

Analog Outputs

Both balanced and single-ended analog outputs are provided.

accupahse dp 600

Technology

The DP-600 was introduced about two years ago and is the newest CD player in the Accuphase lineup with the most current DACs. It has several innovative Digital Signal Processing solutions.

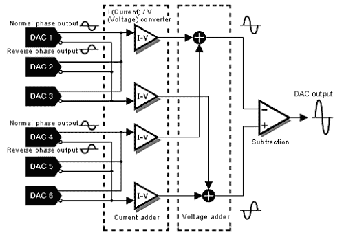
MDSD (Multiple Double Speed DSD). A proprietary technology for noise reduction with SACD. "MDSD uses a combination of double speed operation and a moving-average filter circuit to eliminate ultra high frequency noise components."

MDS++ (Multiple Delta-Sigma) type DACS for PCM signal. The bit stream is sent to six separate D/A converters that operate in parallel. The converted signals are then summed.

accupahse dp 600

mds-operation schematic

Here's an interesting note: "As with all Accuphase players so far, a conscious decision was made not to support multi-channel formats but rather focus on obtaining the ultimate in musical fidelity from two-channel SA-CD music sources."

From the website: "Six DACs are driven in parallel to handle the delayed DSD signal. After D/A conversion, summation of the multiple data results in an ingenious moving-average filter circuit that implements straight D/A conversion of the DSD signal. An important characteristic of MDSD is the use of MDS++ D/A converters which keep conversion errors to an absolute minimum."

Another interesting note: The DP-600 has a volume control that operates in the digital domain. This means it only attenuates—it has no gain, making it suitable for volume matching to other sources.

Conclusion

Accuphase has been on the scene almost 40 years and enjoys a stellar reputation for connoisseur-level, heirloom-quality components. The house sound emphasizes refinement. If you went looking for a flaw, it would be too much of that quality.

They've been quiet about it, but in the last couple of years they've been adjusting their products to incorporate more of the brawny side.

The new voicing is evident in the DP-600 SACD Player. You can't fail to take note of its powerful and dynamic low-end alongside the legendary finesse the brand is known for.

This potent combination allows the DP-600 to raise the performance bar at this price point. It's so good, I have to confess: I actually prefer listening to it to my analog front-end. If you can afford it, take the plunge. I don't think you will find better for less than $30,000. Marshall Nack

DP-600 SACD Player
Retail: $21,000

Accuphase Laboratory, Inc
www.accuphase.com

US Importer

Axiss Distribution, Inc.
Website: www.axissaudio.com

 

POSITIVE FEEDBACK ONLINE © 2012 - HOME